Appendix B. Sirius Video Equipment Configurations

This appendix gives two sample configurations for various combinations of video equipment:

Sirius Video Input Configuration

Figure B-1 shows an example input configuration: the Sirius Video GPI port in switch closure mode.

Figure B-1. Example Configuration: Sirius Video GPI Port, Switch Closure Mode

Figure B-1 Example Configuration: Sirius Video GPI Port, Switch Closure Mode


Note: The GPI input port does not support differential mode configuration.


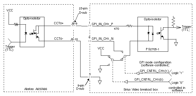
Sirius Video Output Configuration

Figure B-2 shows an example output configuration: Sirius Video GPI output to Abekas™ A66 input.

Figure B-2. Example Configuration: Sirius Video GPI Output to Abekas A65/A66 Input

Figure B-2 Example Configuration: Sirius Video GPI Output to Abekas A65/A66 Input


Note: In Figure B-2, CCR refers to the Abekas Contact Closure Receiver.

To interface to other equipment, observe the electrical specifications for the output stage of the international rectifier PVA 1352, as listed in Table B-1.

Table B-1. PVA 1352 Electrical Specifications

Specification

Value

Operating voltage (AC/DC)

+/-100 V peak

Load current (DC)

315 mA (maximum at 40 degrees C)

Off-state resistance

105 ohms at 25 degrees C

On-state resistance

5 ohms at 25 degrees C

Ton/Toff (maximum)
(50 mA load/as mV control, 50 VDC)

300μs/50μs

Output capacitance

15 pF (at 50 VDC)