Appendix B. Site Power and Power Cables

This appendix contains site-wiring requirements and power-cord specifications for SGI 2000-series, Onyx2, Origin200, Origin Vault, Octane, and O2 systems.

To determine the power requirements of a particular system, refer to the appropriate chapter in the main body of this guide. Once you know the system configuration and power requirements, use this appendix to determine the wiring details needed by a licensed electrician.

This appendix is separated into two main sections:

Installing Site Power Circuits

This section describes how to install the site's power wiring by performing these tasks:

  • Reviewing the site's physical requirements

  • Wiring the main circuit

  • Wiring the chassis branch circuits.

Reviewing the Site's Physical Requirements

Ensure that power outlets are within the maximum cabling distance from the chassis and monitors. Monitors require their own power outlet, since the chassis do not provide any peripheral power outlets. The typical power cable length is 10 feet. See “Power Cables and Connectors” for more details on power cables.

Maximum cable lengths are based on the wire gauge of the standard power cables. Consult a licensed electrician to determine the wire gauge for custom power cables.

Make sure that power cables are properly routed and protected from damage, particularly in areas frequented by people. Check the cabling plans to verify that sufficient length is allowed for proper slack through all routing, especially for indirect routing that runs cables under floors, along walls, or in ceiling cable trays.

If an existing main power circuit is selected for the new equipment, check the circuit for any electrical noise-generating equipment, such as motors, calculators, and typewriters, and transfer these devices to a circuit other than ones servicing computer equipment.

For all but the simplest installations, create a power budget and wiring scheme that considers both existing equipment and future expansion. Considerations include:

  • an emergency power off (EPO) switch for disconnecting power to the main circuitry, with the controls located near the primary exit doors (see “Emergency Power-Off Switch” in Appendix C for more information).

  • convenience outlets for test and auxiliary devices

  • equipment and safety ground conductors sized on the basis of the ampere rating of the overcurrent device protecting the circuit conductors.

  • on critical production equipment, the installation of UPS or SPS power protection (see “Power-Line Treatment” in Appendix C for more information).

Wiring the Main Circuit

Evaluate the quality of the power supplied by the local power company. Reliable computer operation requires power that is mostly free of fluctuations, transients, surges and spikes, and noise. If the local power quality is questionable, line conditioning equipment may be required (see “Power-Line Treatment” in Appendix C for further information).

Install a main circuit panel with properly rated circuit breakers for each branch circuit. Consider adding an emergency power shutdown control to this main panel, as discussed in “Emergency Power-Off Switch” in Appendix C. Figure B-1 shows the wiring for a main circuit panel.


Warning: A licensed electrician should perform all wiring to ensure that the installation meets local and country electrical codes.

Figure B-1. Main Circuit Wiring

Main Circuit Wiring

Wiring Chassis Branch Circuits

All chassis connected with CrayLink or XTown cables should be powered from the same electrical distribution panel to minimize differences in ground potential. The individual branch circuits should be equipped with their own circuit breaker, and should be wired according to the diagrams in Figures B-3 through B-9.

Phase Balancing

As shown in Figures B-3 through B-9, the power receptacles on the individual branch circuits may be distributed across the three phases of the AC power to more equally balance the electrical load.

Chassis Branch Circuit Grounding

Grounding requirements are very important in SGI 2000-series and Onyx2 systems. Each chassis must be well grounded, from the electrical power receptacle, through the electrical distribution panel, all the way back to the electrical service ground electrode. All chassis connected with CrayLink or XTown must share the same transformer and must be connected to the same grounding electrodes. See Figure B-2 for correct and incorrect chassis-grounding examples.

If you have any doubts about the quality of the ground connection, it is important that you consult with a qualified electrician.


Warning: Any difference in ground potential greater than 500 millivolts (0.5 volts) between two chassis connected with CrayLink or XTown cables can cause a range of problems, from poor system operation to severe equipment damage.

The branch circuit wiring should have an insulated grounding conductor that is identical in size, insulation material, and thickness to the earthed and unearthed branch-circuit supply conductors. The grounding conductor should be green, with or without one or more yellow stripes. This grounding, or earthing, conductor should be connected to earth at the service equipment or, if the power is supplied by a separately derived system, it should be connected to earth at the supply transformer or at the motor-generator.

All installed power receptacles for these systems should be of an earthing type, and the grounding, or earthing, conductors serving these receptacles should be connected to earth at the service equipment.

Figure B-2. Correct and Incorrect Chassis Grounding Examples (Origin200 Systems Shown, Other Systems Similar)

Correct and Incorrect Chassis Grounding Examples (Origin200 Systems Shown, Other Systems Similar)

Wiring O2, Octane, Origin200, and Origin Vault Chassis Branch Circuits

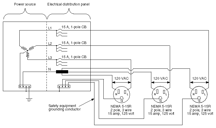
Chassis branch circuits for O2, Octane, Origin200, and Origin Vault systems should be wired as shown in Figure B-3 (U.S., Canada, and Japan) or Figure B-4 (International).


Note: O2, Octane, Origin200, and Origin Vault systems in the U.S., Canada, and Japan only need 120-volt power at 15 amps (as shown in Figure B-3). However, chassis branch circuits for these systems may also be wired for 120-volt power at 20 amps (as shown in Figure B-5) or 208-volt power at 20 amps (as shown in Figure B-6), in which case, it would be necessary to use a different power cord.

Figure B-3. Chassis Branch Circuit Diagram for 120 VAC, 15 amp, 3-wire, 1-phase (U.S., Canada, and Japan)

Chassis Branch Circuit Diagram for 120 VAC, 15 amp, 3-wire, 1-phase (U.S., Canada, and Japan)

Figure B-4. Chassis Branch Circuit Diagram for 230 VAC, 10 amp, 3-wire, 1-phase (International)

Chassis Branch Circuit Diagram for 230 VAC, 10 amp, 3-wire, 1-phase (International)

Wiring SGI 2000-Series Deskside and Onyx2 Deskside Chassis Branch Circuits

Chassis branch circuits for SGI 2000-series deskside and Onyx2 deskside 120-volt systems should be wired as shown in Figure B-5 (U.S. and Canada). SGI 2000-series deskside and Onyx2 deskside systems in Japan must use 208-volt power, as shown in Figure B-6.


Note: O2, Octane, Origin200, and Origin Vault systems in the U.S., Canada, and Japan only need 120-volt power at 15 amps (as shown in Figure B-3). However, chassis branch circuits for these systems may also be wired for 120-volt power at 20 amps (as shown in Figure B-5) or 208-volt power at 20 amps (as shown in Figure B-6), in which case, it would be necessary to use a different power cord.

Figure B-5. Chassis Branch Circuit Diagram for 120 VAC, 20 amp, 3-wire, 1-phase (U.S. and Canada)

Chassis Branch Circuit Diagram for 120 VAC, 20 amp, 3-wire, 1-phase (U.S. and Canada)

Chassis branch circuits for SGI 2000-series deskside and Onyx2 deskside 220-volt systems should be wired as shown in Figure B-6 (U.S., Canada, and Japan) or Figure B-7 (International).


Note: O2, Octane, Origin200, and Origin Vault systems in the U.S., Canada, and Japan only need 120-volt power at 15 amps (as shown in Figure B-3). However, chassis branch circuits for these systems may also be wired for 120-volt power at 20 amps (as shown in Figure B-5) or 208-volt power at 20 amps (as shown in Figure B-6), in which case, it would be necessary to use a different power cord.

Figure B-6. Chassis Branch Circuit Diagram for 208 VAC, 20 amp, 3-wire, 1-phase (U.S., Canada, and Japan)

Chassis Branch Circuit Diagram for 208 VAC, 20 amp, 3-wire, 1-phase (U.S., Canada, and Japan)

Figure B-7. Chassis Branch Circuit Diagram for 230 VAC, 16 amp, 3-wire, 1-phase (International)

Chassis Branch Circuit Diagram for 230 VAC, 16 amp, 3-wire, 1-phase (International)

Wiring Rack Chassis Branch Circuits

Chassis branch circuits for SGI 2000-series, Origin200, Origin Vault, and Onyx2 rack systems should be wired as shown in Figure B-8 (U.S., Canada, and Japan) or Figure B-9 (International).

Rack systems draw a large amount of power in a small space. A site for multiple Origin-family rack systems should have one 30- or 32-amp receptacle for each rack (that is, about every two feet). A site for multiple Silicon Graphics Onyx2 rack systems should have two 30- or 32-amp receptacles for each rack (that is, about every foot). This is much denser than the existing wiring at many sites.

If the existing circuit breaker box does not supply enough power, it is important that the site not simply install another circuit breaker box and power some chassis from the original box and some from the new box. Rack chassis in the same system (that is, chassis that are connected with CrayLink or XTown cables) must be plugged into branch circuits fed from the same circuit breaker box. It is therefore important that if the existing wiring does not support the expected load, a new circuit breaker box with sufficient capacity for the entire multi-rack system be installed.


Note: See the section on grounding requirements, “Chassis Branch Circuit Grounding”.

Figure B-8. Chassis Branch Circuit Diagram for 208 VAC, 30 amp, 3-wire, 1-phase (U.S., Canada, and Japan)

Chassis Branch Circuit Diagram for 208 VAC, 30 amp, 3-wire, 1-phase (U.S., Canada, and Japan)

Figure B-9. Chassis Branch Circuit Diagram for 230 VAC, 32 amp, 3-wire, 1-phase (International)

Chassis Branch Circuit Diagram for 230 VAC, 32 amp, 3-wire, 1-phase (International)

Power Cables and Connectors

Table B-1 summarizes the power cables and connectors for each power configuration, Tables B-2 through B-14 describe the power cables, and Figures B-10 through B-22 show the approximate physical appearance of each standard cable.

Table B-1. Power Cable and Connector Specifications

Description
(Cable Part Number)

Cable Connector, Chassis End

Cable Connector, Source End

Cable Type

Power Source (Wall Plug)

O2/Octane/Origin200/
Origin Vault

 

 

 

 

U.S., Canada, and Japan
(9350102)

IEC320-C13

NEMA 5-15P

UL/CSA

NEMA 5-15R

International (9350018)

IEC320-C13

CEE 7/7, 2-P, 3-W, 10A, 240V

HAR

CEE 7/7, 2-P, 3-W, 10A, 240V

SGI 2000-series/Onyx2 Desk
120 V

 

 

 

 

U.S. and Canada (not Japan)
(9350050 or 9350807)

IEC320-C19

NEMA 5-20P

UL/CSA

NEMA 5-20R

SGI 2000-series/Onyx2 Desk
208 V

 

 

 

 

U.S., Canada, and Japan
(9350051 or 9350814)

IEC320-C19

NEMA 6-20P

UL/CSA

NEMA 6-20R

International
(9350049 or 9350809)

IEC320-C19

IEC309, 2-P, 3-W, 16 A, 250 V

HAR

IEC309, 2-P, 3-W,
16 A, 250 V

Onyx2 Graph. Ins. Mod.
208 V

 

 

 

 

U.S., Canada, and Japan

Fixed cable

NEMA L6-30P

UL/CSA

NEMA L6-30R

International

Fixed cable

IEC309, 2-P, 3-W,
32 A, 250 V

HAR

IEC309, 2-P, 3-W,
32 A, 250 V

Rack Chassis

 

 

 

 

U.S., Canada, and Japan
(013-2075-001, 013-2080-001)

Fixed cable with PDU

NEMA L6-30P

UL/CSA

NEMA L6-30R

International
(013-1911-001, 013-1911-001)

Fixed cable with PDU

IEC309, 2-P, 3-W, 32 A, 250 V

HAR

IEC309, 2-P, 3-W,
32 A, 250 V


O2, Octane, Origin200, Origin Vault, and Peripheral Power Cables

Figure B-10. O2, Octane, Origin200, Origin Vault, and Peripheral Power Cable, 125 VAC, 15 A (U.S., Canada, and Japan)

O2, Octane, Origin200, Origin Vault, and Peripheral Power Cable, 125 VAC, 15 A (U.S., Canada, and Japan)

Table B-2. O2, Octane, Origin200, Origin Vault, and Peripheral Power Cable, 125 VAC, 15 A (U.S., Canada, and Japan)

Part Number

Description

9350102

Power cable, 125 VAC, 15 amp (U.S., Canada, and Japan)
Round UL/CSA cable, 8.2' (2.5 m) length
NEMA 5-15P plug at source end, IEC320-C13 receptacle at chassis end
Used for O2, Octane, Origin200, Origin Vault, and peripherals
See Figure B-10

 

Figure B-11. O2, Octane, Origin200, Origin Vault, and Peripheral Power Cable, 250 VAC, 10 A (International)

O2, Octane, Origin200, Origin Vault, and Peripheral Power Cable, 250 VAC, 10 A (International)

Table B-3. O2, Octane, Origin200, Origin Vault, and Peripheral Power Cable, 250 VAC, 10 A (International)

Part Number

Description

9350018

Power cable, 250 VAC, 10 amp (International)
Round HAR cable, 8.2' (2.5 m) length
CEE 7/7 plug at source end, IEC320-C13 receptacle at chassis end
Used for O2, Octane, Origin200, Origin Vault, and peripherals
See Figure B-11

 

Figure B-12. Origin200 and Origin Vault Power Cable, 250 VAC, 15 A (For Rack PDU)

Origin200 and Origin Vault Power Cable, 250 VAC, 15 A (For Rack PDU)

Table B-4. Origin200 and Origin Vault Power Cable, 250 VAC, 15 A (For Rack PDU)

Part Number

Description

9350818

Power cable, 250 VAC, 15 amp (for rack PDU)
Round HAR cable, 3.25' (1 m) length
IEC320-C13 plug at source end, IEC320-C13 receptacle at chassis end
Used for MMSC, and for Origin200 and Origin Vault connected to a rack PDU
See Figure B-12

 


SGI 2000-Series Deskside and Onyx2 Deskside Power Cables

Figure B-13. SGI 2000-Series Deskside and Onyx2 Deskside Power Cable, 125 VAC, 20 A (U.S. and Canada)

SGI 2000-Series Deskside and Onyx2 Deskside Power Cable, 125 VAC, 20 A (U.S. and Canada)

Table B-5. SGI 2000-Series Deskside and Onyx2 Deskside Power Cable, 125 VAC, 20 A (U.S. and Canada)

Part Number

Description

9350050 or 9350807

Power cable, 125 VAC, 20 amp (U.S. and Canada)
Round UL/CSA cable, 10' (3.05 m) length
NEMA 5-20P plug at source end, IEC320-C19 receptacle at chassis end
Used for SGI 2000-series deskside and Onyx2 deskside systems
See Figure B-13

 

Figure B-14. SGI 2000-Series Deskside and Onyx2 Deskside Power Cable, 250 VAC, 20 A (U.S., Canada, and Japan)

SGI 2000-Series Deskside and Onyx2 Deskside Power Cable, 250 VAC, 20 A (U.S., Canada, and Japan)

Table B-6. SGI 2000-Series Deskside and Onyx2 Deskside Power Cable, 250 VAC, 20 A (U.S., Canada, and Japan)

Part Number

Description

9350051 or 9350814

Power cable, 250 VAC, 20 amp (U.S., Canada, and Japan)
Round UL/CSA cable, 8.2' (2.5 m) length
NEMA 6-20P plug at source end, IEC320-C19 receptacle at chassis end
Used for SGI 2000-series deskside and Onyx2 deskside systems
See Figure B-14

 

Figure B-15. SGI 2000-Series Deskside and Onyx2 Deskside Power Cable, 250 VAC, 16 A (International)

SGI 2000-Series Deskside and Onyx2 Deskside Power Cable, 250 VAC, 16 A (International)

Table B-7. SGI 2000-Series Deskside and Onyx2 Deskside Power Cable, 250 VAC, 16 A (International)

Part Number

Description

9350049 or 9350809

Power cable, 250 VAC, 16 amp (International)
Round HAR cable, 10' (3.05 m) length
IEC309 16 amp plug at source end, IEC320-C19 receptacle at chassis end
Used for SGI 2000-series deskside and Onyx2 deskside systems
See Figure B-15

 

Figure B-16. SGI 2000-Series Base Module Power Cable, 250 VAC, 20 A (For Rack PDU)

SGI 2000-Series Base Module Power Cable, 250 VAC, 20 A (For Rack PDU)

Table B-8. SGI 2000-Series Base Module Power Cable, 250 VAC, 20 A (For Rack PDU)

Part Number

Description

9350816

Power cable, 250 VAC, 20 amp (for rack PDU)
Round UL/CSA cable, 8.2' (2.5 m) length
IEC320-C19 plug at source end, IEC320-C19 receptacle at chassis end
Used for SGI 2000-series base modules connected to a rack PDU
See Figure B-16

 


Onyx2 Graphics Insert Module Power Cables

This section shows the power cables used on the Silicon Graphics Onyx2 rack-mounted graphics insert module (GIM). These power cables are fixed into the chassis. Replacement should only be performed by a licensed electrician.

Figure B-17. Graphics Insert Module Power Cable, 250 VAC, 30 A (U.S., Canada, and Japan)

Graphics Insert Module Power Cable, 250 VAC, 30 A (U.S., Canada, and Japan)

Table B-9. Graphics Insert Module Power Cable, 250 VAC, 30 A (U.S., Canada, and Japan)

Description

Power cable, 250 VAC, 30 amp (U.S., Canada, and Japan)
Round UL/CSA cable, 8' (2.4 m) length, 12 AWG
L6-30P plug at source end, #10 spring fork lugs fixed at chassis end
Used for Onyx2 Graphics Insert Module
See Figure B-17

 

Figure B-18. Graphics Insert Module Power Cable, 250 VAC, 32 A (International)

Graphics Insert Module Power Cable, 250 VAC, 32 A (International)

Table B-10. Graphics Insert Module Power Cable, 250 VAC, 32 A (International)

Description

Power cable, 250 VAC, 32 amp (International)
Round HAR cable, 8' (2.4 m) length, 12 AWG
IEC309 32 amp plug at source end, #10 spring fork lugs fixed at chassis end
Used for Onyx2 Graphics Insert Module
See Figure B-18

 


SGI 2000-Series, Origin Peripherals, and Onyx2 Rack Power Distribution Units (PDUs)

This section shows the PDUs (power distribution units) used on the Origin200, Origin Vault, SGI 2000-series, and Onyx2 rack systems.


Note: Early version of the rack chassis came with a different style PDU. The older style PDUs are larger, and the power cords plug into them from the inside of the chassis rather than from the back of the chassis (as on the newer style PDUs). Only the newer style is shown in this book.

Figure B-19. SGI 2000-Series and Onyx2 Rack Power Cable, 250 VAC, 30 A (U.S., Canada, and Japan)

SGI 2000-Series and Onyx2 Rack Power Cable, 250 VAC, 30 A (U.S., Canada, and Japan)

Table B-11. SGI 2000-Series and Onyx2 Rack Power Cable, 250 VAC, 30 A (U.S., Canada, and Japan)

Part Number

Description

013-2075-001

Power cable, 250 VAC, 30 amp (U.S., Canada, and Japan)
Round UL/CSA cable, 10' (3.05 m) length
NEMA L6-30P plug at source end, multiple-outlet PDU at chassis end
PDU has two IEC320-C19, and six IEC320-C13 receptacles
Used for SGI 2000-series and Onyx2 rack systems
See Figure B-19

 

Figure B-20. SGI 2000-Series and Onyx2 Rack Power Cable, 250 VAC, 32 A (International)

SGI 2000-Series and Onyx2 Rack Power Cable, 250 VAC, 32 A (International)

Table B-12. SGI 2000-Series and Onyx2 Rack Power Cable, 250 VAC, 32 A (International)

Part Number

Description

013-1910-001

Power cable, 250 VAC, 32 amp (International)
Round HAR cable, 10' (3.05 m) length
IEC309 32 amp plug at source end, multiple-outlet PDU at chassis end
PDU has two IEC320-C19, and six IEC320-C13 receptacles
Used for SGI 2000-series and Onyx2 rack systems
See Figure B-20

 

Figure B-21. Origin200 and Origin Vault Rack Power Cable, 250 VAC, 30 A (U.S., Canada, and Japan)

Origin200 and Origin Vault Rack Power Cable, 250 VAC, 30 A (U.S., Canada, and Japan)

Table B-13. Origin200 and Origin Vault Rack Power Cable, 250 VAC, 30 A (U.S., Canada, and Japan)

Part Number

Description

013-2080-001

Power cable, 250 VAC, 30 amp (U.S., Canada, and Japan)
Round UL/CSA cable, 10' (3.05 m) length
NEMA L6-30P plug at source end, multiple-outlet PDU at chassis end
PDU has nine IEC320-C13 receptacles
Used for Origin200 and Origin Vault rack systems
See Figure B-21

 

Figure B-22. Origin200 and Origin Vault Rack Power Cable, 250 VAC, 32 A (International)

Origin200 and Origin Vault Rack Power Cable, 250 VAC, 32 A (International)

Table B-14. Origin200 and Origin Vault Rack Power Cable, 250 VAC, 32 A (International)

Part Number

Description

013-1911-001

Power cable, 250 VAC, 32 amp (International)
Round HAR cable, 10' (3.05 m) length
IEC309 32 amp plug at source end, multiple-outlet PDU at chassis end
PDU has nine IEC320-C13 receptacles
Used for Origin200 and Origin Vault rack systems
See Figure B-22